Die Ford Duraspark ist als eine preiswerte Elektronikzündung durchaus attraktiv.
Wer vom Chinesenzeugs die Nase voll hat und seinem Ford Motor einen ordentlichen Zündfunken gönnen möchte, sollte über eine OEM Duraspark Zündanlage nachdenken. Die teuren Anlagen von MSD, Accel und Co. müssen nicht immer sein. So kann ein V8 mit 5-6 Liter Hubraum und Drehzahl bis 5000 RPM sehr gut mit der originalen Zündanlage aus den 80er Jahren klarkommen. Ein Umbau von älteren Kontaktzündanlagen ist einfach zu machen und bringt einen soliden transistorgesteuerten Zündfunken zusammen.
Foto: Ford Motor Co.
Duraspark als eine preiswerte Elektronikzündung
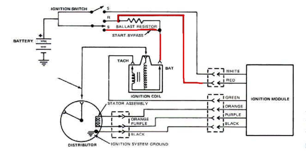
Ford verwendete seit 1973 mehrere unterschiedliche Modelle dieser leistungsfähigen Zündanlage. Codiert wurden diese Anlagen über einen farbigen Überzug an den Kabeln. Um einen versehentlichen Einsatz im falschen Fahrzeug zu verhindern, wurden auch die Stecker etwas unterschiedlich gemacht. Einige Modelle 1981-1983 hatten ein spezielles Modul, das auch die Zündwinkelverstellung am Verteiler (Dura-Spark-III-Modul) durch Impulsverzögerung der Motorsteuerung veränderte.
| Color | Year(s) Used | OEM # | Description |
|---|---|---|---|
| Black Grommet | 1974 | DY157 | |
| Green Grommet | 1975 | DY166 | |
| Blue Grommet | 1976-87 | DY184 | 49-State |
| Red Grommet | 1979-83 | DY204 | California |
| Yellow Double Grommet | 1979-81 | DY237 | Dual Mode |
| Brown Grommet | 1979-81 | DY249 | ECC |
| White Grommet | 1980-83 | DY250 |
Das System besteht aus einem magnetischen Reluctor und Pickup im Verteiler und ein Zündmodul um den Funken auszulösen. Typischerweise haben die Duraspark II Systeme sowohl eine mechanische als auch eine Vakuum Zündverstellung im Verteiler. Der Transistor steuert einen Impuls von ca. 50 Grad, so dass im ganzen Drehzahlberich ein gleichmäßiger Zündfunken bereitsteht. Um ein Überspringen des leistungsstarken Zündfunken zu verhindern, wurde die Verteilerkappe im Durchmesser gegenüber ihren Vorgängern um einiges vergrößert (Daher die große Kappe).
Was brauchen wir für den Job?
- Elektronik Verteiler mit Finger und Kappe #30-2895
- Zündspule #FD476 (Kann auch eine von der Kontaktanlage verwendet werden)
- Modul OEM Zündanlage #LX203T
Es gibt die OEM Verteiler mit Kappe und Vakuumverstellung bereits für ca. 150-200 € NEU – sodass diese Einheit komplett fertig montiert werden kann. Hierbei sollte man allerdings auf die Einbauhöhe des Verteilerantriebs achten! 2-5 Zehntel Spiel bitte. Die Spule packt man wieder auf die Ansaugspinne (dann wird sie schön warm ;-D ) und das Modul am besten seitlich RH in die Nähe des Startrelais von Ford. Danach noch die Stecker abschneiden und die Kabel ordentlich mit Lötverbindern gemäß der hier beigefügten Skizze verzutteln.

Bei den Zündkabeln ist auf die Verteilerseitige-Verbindung zu achten. Die alten Kontaktverteiler haben hier „männliche“ Kabelschuhe, die in ein Loch in die Kappe gesteckt werden. Die Kappe der Elektronikzündanlage benötigt die „weibliche“ Version, da auf der Kappenseite ein Pin wartet. Also einen Kabelsatz verwenden, der so ca. aus dem Baujahr der Zündanlage kommt.






Pingback: 1979 Ford Thunderbird Ingnition Coil Wiring Diagram | TheMckitTricks.net
Pingback: 78 Ford Truck Ignition Wiring Diagram | TheMckitTricks.net
Pingback: Jeep No Spark Troubleshooting – New Car Image Gallery
Ich besitze einen Lincoln Mark VI von 1982 mit dem Dura Spark III System. Jetzt ist der Austausch von Verteilerkappe und Rotor nötig. Was bei einem klassischen Verteiler ganz einfach ist, nämlich das Abziehen des Rotors, ist beim System III für mich nicht erkennbar: Der runde Rotor (siehe Bild) läuft ganz nah am Gehäuse und ist, wie ich am Neuteil erkennen kann, von unten mit einer Metallfeder gesichert. Wie also abziehen? Oder muss ich den vorhandenen Rotor vorsichtig im eingebauten Zustand zerschneiden?
Hallo, ja die sitzen manchmal echt fest auf der Welle.
Versuch mal die untere Schale (hellblau) zu lösen und mit einem verbogenen Schraubendreher die Feder von unten etwas zu entspannen.
Du könntest auch vorsichtig ein Loch in der Mitte in den Läufer bohren (etwas oberhalb vom Zentrum). Neben dem Kontakt unten links. Dann solltest du die Feder aushaken können.
Aber nicht zu tief bohren, dann kann der Verteiler beschädigt werden.
Vielen Dank. Hat funktioniert!